查看:31736 回复:7
发表于 2012-3-8 16:54
- 注册时间
- 2010-7-11
- 最后登录
- 1970-1-1
|
本帖最后由 开心 于 2016-3-1 14:30 编辑
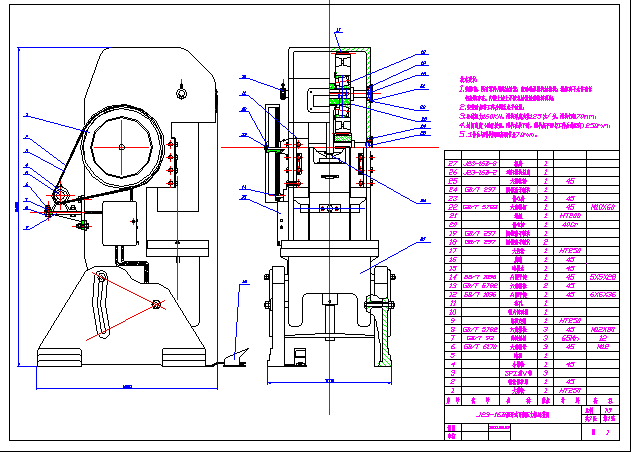
J23-16B型开式可倾压力机设计包括:外文翻译,开题报告,毕业设计论文,曲柄压力机运动及受力分析数据表格和图形,装配图,连杆滑块总成图,机身图
论文目录如下:
xx大学毕业设计(论文)任务书 Ⅰ
xx大学毕业设计开题报告 Ⅱ
xx大学毕业设计指导教师评审意见 Ⅲ
xx大学毕业设计评阅教师评语 Ⅳ
xx大学毕业设计答辩记录及成绩评定 Ⅴ
中文摘要…………………………………………………………………………………………… Ⅵ
外文摘要…………………………………………………………………………………………… Ⅶ
1 诸论 1
1.1 课题研究背景及来源 1
1.2 曲柄压力机的现状和发展趋势 1
1.3 本文研究的主要内容 3
2 曲柄压力机设计的基本要求 4
3 总体设计方案的确定 5
3.1 型号简介 5
3.2 曲柄压力机主要技术参数 5
3.3 总体方案的确定 6
4 曲柄滑块机构的运动及受力分析 8
4.1 曲柄滑块机构的运动分析 8
4.2 曲柄滑块机构的受力分析 12
5 连杆滑块机构的设计计算 19
5.1 连杆及装模高度调节机构的设计 19
5.2 滑块机构的设计 22
6 电动机的选择 25
6.1 电动机功率计算 25
6.2 压力机工作周期的能量损耗 26
7 传动系统设计 30
7.1 传动系统传动比初选 30
7.2 齿轮传动设计 30
7.3 带传动设计 34
7.4 轴的设计 36
8 其它主要零件的设计 44
8.1 偏心套的设计 44
8.2 轴承的选择 44
8.3 键的选择 44
9 总结 46
参考文献 46
致 谢 49
附 录 50
毕业设计下载地址:
http://www.23dx.com/thread-3-1-1.html
|
|
|
|
|
|
|
|
- 注册时间
- 2010-7-11
- 最后登录
- 1970-1-1
|

楼主 |
发表于 2012-4-4 20:17:14
|
显示全部楼层
J23-16B型开式可倾压力机设计资料 这个怎么解压不了啊
由于空间附件较大,上传时分包压缩的,需要把几个压缩包同时下载,part1.2.3.4.5是一个整体 |
|
|
|
|
|
|
|
- 注册时间
- 2010-12-2
- 最后登录
- 1970-1-1
|
发表于 2012-4-11 18:22:01
|
显示全部楼层
|
|
|
|
|
|
|
- 注册时间
- 2010-12-2
- 最后登录
- 1970-1-1
|
发表于 2012-5-11 17:23:01
|
显示全部楼层
|
|
|
|
|
|
|
- 注册时间
- 2013-3-7
- 最后登录
- 1970-1-1
|
发表于 2013-3-8 07:23:36
|
显示全部楼层
|
机械就是麻烦啊,画图真累。。。。。。。。。。。。。。。。。。。。。。 |
|
|
|
|
|
|
|
- 注册时间
- 2013-3-15
- 最后登录
- 1970-1-1
|
发表于 2013-3-15 09:56:53
|
显示全部楼层
|
|
|
|
|
|
|
- 注册时间
- 2013-3-15
- 最后登录
- 1970-1-1
|
发表于 2013-3-19 14:10:46
|
显示全部楼层
|
|
|
|
|
|
|