中国日博365备用网址器

查看:9100 回复:1 发表于 2015-10-23 12:13
发表于 2015-10-23 12:13:30 | 显示全部楼层 |阅读模式

2K-H型行星减速箱设计 毕业设计下载 [复制链接]

2K-H型行星减速箱设计包含毕业设计伦论文和CAD图

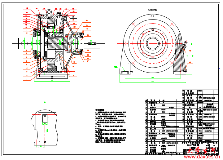
360截图20151023121112293.png
目     录
1  前言-----------------------------------------------------------------------------------------------------1
1.1选题的依据及意义-----------------------------------------------------------------------------1
    1.2国内外研究概况及发展趋势---------------------------------------------------------------1
2  常规设计计算        3
2.1已知条件        3
2.2设计计算        3
2.2.1 选取行星轮传动的传动类型和传动简图        3
2.2.2 行星轮传动的配齿计算        3
2.2.3初步计算齿轮的主要参数        4
2.2.4装配条件的验算        5
2.2.5传动效率的计算        6
2.2.6减速器的润滑和密封        10
2.2.7 齿轮强度验算        10
2.2.7.1校核其齿面接触强度        10
2.2.7.2校核其齿跟弯曲强度        13
3  结构设计计算        15
3.1行星架的结构设计与计算        15
3.1.1行星架的结构设计        15
3.1.2行星架结构计算        15
3.2齿轮联轴器的结构设计与计算        16
3.3轴的结构设计与计算        17
3.3.1输入轴的结构设计与计算        17
3.3.2输出轴的设计计算        19
3.4铸造箱体的结构设计计算        20
4  输入轴的工艺设计        22
4.1零件的分析        22
4.1.1零件的图样分析        22
4.1.2零件的工艺分析        22
4.2工艺规程设计        23
4.2.1确定毛坯的制造形式        23
4.2.2基面的选择        23
4.3制定工艺路线        23
4.3.1工艺路线方案一        23
4.3.2工艺路线方案二        24
4.3.3工艺路线方案三        25
4.4机械加工余量、工序尺寸及毛坯尺寸的确定        25
4.4.1机械加工余量的确定        25
4.4.2毛坯尺寸确定        26
4.5确定切削用量及基本工时        26
            总结与评价----------------------------------------------------------------------------34
参考文献        35
致谢        36

2K-H型行星减速箱设计下载:
2K-H 型 行 星 减 速 箱 设 计.rar (1.67 MB, 下载次数: 2, 售价: 3000 个大学生币)

你可能喜欢

您需要登录后才可以回帖 登录 | 注册

本版积分规则

QQ|关于我们|广告联系|手机版|日博365备用网址器| 鄂ICP备13014518号

GMT+8, 2018-1-4 20:33 , Processed in 0.165227 second(s), 31 queries .

中国日博365备用网址器 ,大学生必备网站,中国大学生门户网站

© 2009-2015 www.028lyzs.com

快速回复 返回顶部 返回列表